Adoni Tech’s JHQ-C series mechanical buffers are engineered for high-performance energy absorption in industrial environments. These buffers feature robust construction, precision damping, and easy mounting for versatile applications.
Series: JHQ-C Industrial Mechanical Buffers
Application: Impact absorption and vibration damping for industrial machinery




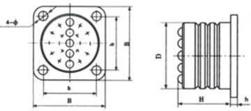
Dimensions and Specifications
| Sr No | Model | D (mm) | H (mm) | Plate Thickness (mm) | Base B (mm) | Hole Pitch B (mm) | Bolt Ø (mm) | Capacity (kN·m) | Stroke (mm) | Power |
|---|---|---|---|---|---|---|---|---|---|---|
| 1 | JHQ-C-1 | 65 | 80 | 8 | 100 | 70 | 12 | 0.265 | 60 | 28 |
| 2 | JHQ-C-2 | 80 | 80 | 8 | 115 | 85 | 12 | 0.400 | 60 | 42 |
| 3 | JHQ-C-3 | 80 | 100 | 8 | 115 | 85 | 12 | 0.502 | 75 | 42 |
| 4 | JHQ-C-4 | 100 | 80 | 8 | 130 | 100 | 14 | 0.628 | 60 | 66 |
| 5 | JHQ-C-5 | 100 | 100 | 8 | 130 | 100 | 14 | 0.785 | 75 | 66 |
| 6 | JHQ-C-6 | 100 | 125 | 8 | 130 | 100 | 14 | 0.980 | 94 | 66 |
| 7 | JHQ-C-7 | 125 | 100 | 10 | 165 | 130 | 14 | 1.227 | 75 | 103 |
| 8 | JHQ-C-8 | 125 | 125 | 10 | 165 | 130 | 14 | 1.533 | 94 | 103 |
| 9 | JHQ-C-9 | 125 | 160 | 10 | 165 | 130 | 14 | 1.960 | 120 | 103 |
| 10 | JHQ-C-10 | 160 | 125 | 10 | 200 | 160 | 18 | 2.512 | 94 | 169 |
| 11 | JHQ-C-11 | 160 | 160 | 10 | 200 | 160 | 18 | 3.125 | 120 | 169 |
| 12 | JHQ-C-12 | 160 | 200 | 10 | 200 | 160 | 18 | 4.019 | 150 | 169 |
| 13 | JHQ-C-13 | 200 | 160 | 12 | 250 | 200 | 18 | 5.024 | 120 | 265 |
| 14 | JHQ-C-14 | 200 | 200 | 12 | 250 | 200 | 18 | 6.280 | 150 | 265 |
| 15 | JHQ-C-15 | 200 | 250 | 12 | 250 | 200 | 18 | 7.850 | 188 | 265 |
| 16 | JHQ-C-16 | 250 | 200 | 12 | 320 | 250 | 22 | 9.810 | 150 | 414 |
| 17 | JHQ-C-17 | 250 | 250 | 12 | 320 | 250 | 22 | 12.266 | 188 | 414 |
| 18 | JHQ-C-18 | 250 | 320 | 12 | 320 | 250 | 22 | 15.700 | 240 | 414 |
| 19 | JHQ-C-19 | 320 | 250 | 14 | 400 | 315 | 22 | 20.096 | 188 | 675 |
| 20 | JHQ-C-20 | 320 | 320 | 14 | 400 | 315 | 22 | 25.732 | 240 | 675 |
| 21 | JHQ-C-21 | 320 | 400 | 14 | 400 | 315 | 22 | 32.154 | 300 | 675 |
| 22 | JHQ-C-22 | 320 | 450 | 14 | 400 | 315 | 22 | 36.170 | 337 | 675 |
| 23 | JHQ-C-23 | 400 | 450 | 14 | 460 | 370 | 22 | 56.500 | 337 | 1054 |
| 24 | JHQ-C-24 | 400 | 300 | 14 | 460 | 370 | 22 | 37.700 | 225 | 1054 |